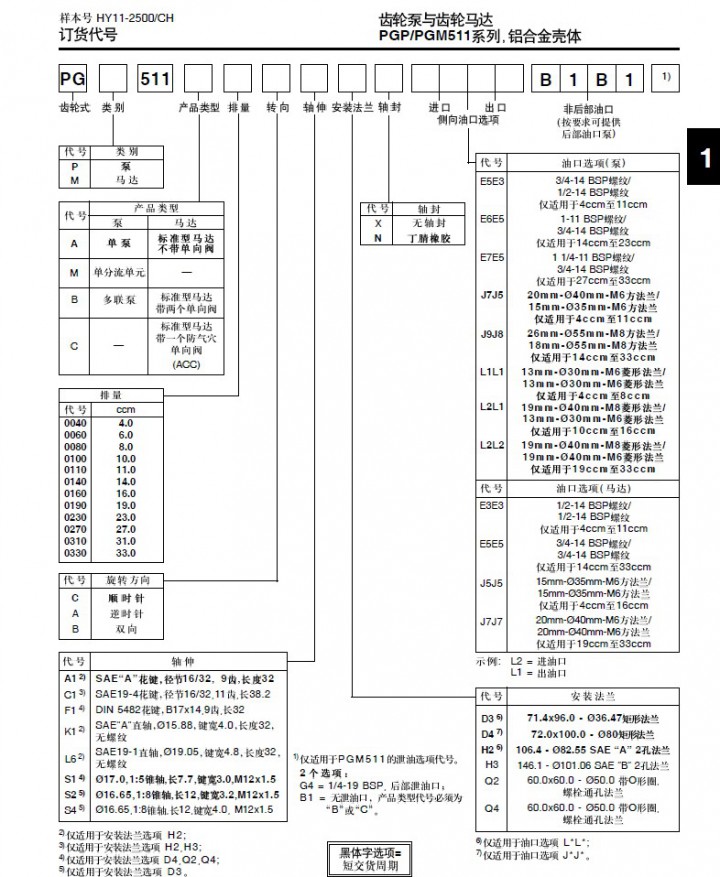
产品展示|Products

Parker PGP-PGM500系列铝合金壳体齿轮泵与齿轮马达

 

 

PGM系列马达

PGP-PGM500

 

PGP-PGM500aPGP-PGM500bPGP-PGM500cPGP-PGM500d